Электроснабжение буровых установок и способы повышения надежности электроснабжения электропривода буровых лебедок
B статье описаны схемы электроснабжения, применяемые в ООО «УК «Татбурнефть» с различными компоновками технологического оборудования. Приведены схемы общего электроснабжения буровых установок как с нерегулируемым, так и с регулируемым электроприводом главных механизмов. Приведены способы увеличения надежности электроснабжения электропривода буровой лебедки. Для обеспечения надежного электроснабжения электропривода буровой лебедки, с целью исключения возникновения прихватов в процессе бурения из-за потери питания электропривода буровой лебедки, предложено поочередно выводить из работы буровые механизмы для снижения нагрузки в центре питания буровой установки.
Основной объем бурения в РФ выполняется буровыми установками (БУ) с электроприводом (ЭП) главных механизмов [1]. Выбор того или иного варианта системы электроснабжения определяется рядом факторов: вид привода главных механизмов (электрический регулируемый, электрический нерегулируемый, дизель-электрический или дизельный); уровень питающего напряжения; схема компоновки оборудования. Общим для всех БУ с электрическим приводом является наличие вводного устройства типа высоковольтного линейного блока ВЛБ-6(10), подключаемого к промысловой сети напряжением 6 или 10кВ. На рисунке 1 показана однолинейная схема блока ВЛБ-6(10), содержащая ограничители перенапряжений ОПН, разъединитель линейный РЛНД, разъединитель РВЗ, трансформаторы тока ТТ, предохранители ПК, измерительный трансформатор напряжения НАМИ и вакуумный выключатель.


Высоковольтный линейный блок состоит из шкафа наружного исполнения с высоковольтной коммутационной и измерительной аппаратурой, релейной защитой и коммерческим учетом электрической энергии.
В зависимости от уровня напряжения промысловой сети в блоке ВЛБ-6(10) устанавливается измерительный трансформатор НАМИ на соответствующее напряжение, остальная высоковольтная аппаратура в целях унификации выбирается на напряжение 10кВ.
В случае питания буровой установки от сети напряжением 10кВ, дополнительно устанавливается согласующий трансформатор 10/6кВ, который монтируется на единое основание с блоком ВЛБ-6(10).
В зависимости от компоновки оборудования – типа буровых насосов; наличия электропарогенераторных (ЭПГ) установок в зимнее время; типа БУ, в зависимости от условий бурения и глубины скважины; наличия системы верхнего привода; типа циркуляционной системы и т.д. система электроснабжения меняется для каждой кустовой площади бурения. Поэтому до подключения БУ к промысловой сети разрабатывается проект электроснабжения БУ, учитывающий указанные условия и месторождение.

На рисунке 2 показана однолинейная схема электроснабжения буровых установок раннего производства с использованием комплектного распределительного устройства наружной установки КРУНБ-6.
Устройство КРУНБ-6 состоит из шести шкафов: шкаф трансформатора вспомогательных механизмов (трансформатор собственных нужд) и защиты и измерения, вводной шкаф, шкафы электродвигателей и электропарогенератора с вакуумными контакторами КВТ.

В зависимости от применяемого оборудования количество шкафов КРУНБ-6 может быть различным. На рисунке 3 показана однолинейная схема электроснабжения буровой установки БУ-2500/160ЭП с устройством КРУНБ-6, состоящей из пяти шкафов. В данной компоновке использованы два буровых насоса (БН) с ЭП переменного тока на базе синхронных двигателей, электропривод буровой лебедки (БЛ) и бурового ротора (БР) – регулируемый с тиристорным ЭП постоянного тока. Тиристорный модуль БЛ и БР с высоковольтным вводом содержит разъединители, ограничители перенапряжений, вакуумный выключатель, трансформатор собственных нужд и трансформатор питания тиристорных преобразователей.

На рисунке 4 показана однолинейная схема электроснабжения буровых установок БУ-75БрЭ, БУ-1600/100ЭУ с устройством КРУНБ-6, состоящей из четырех шкафов. В данной компоновке использован БН с частотно-регулируемым ЭП. Блочное комплектное распределительное устройство находится в одном модуле с преобразователем частоты.

На рисунке 5 показана однолинейная схема буровой установки БУ-2000/125ЭП с ЭП постоянного тока главных механизмов.

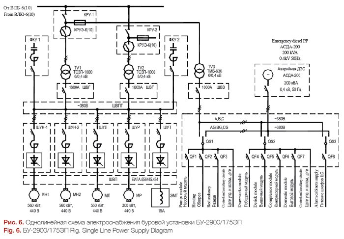
На рисунке 6 показана однолинейная схема буровой установки БУ-2900/175ЭП с ЭП постоянного тока главных механизмов.

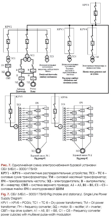
На рисунке 7 показана однолинейная схема электроснабжения буровой установки СБУ (МБУ) – 3000/175ИЭ с частотно-регулируемым ЭП главных механизмов.
В процессе бурения скважин, осложнения, связанные с прихватами бурового инструмента, занимают большой процент времени в сравнении с другими авариями и требуют большого количества времени для их ликвидации. Одной из причин, приводящей к прихвату бурильных и обсадных колонн является отключение электроэнергии. Для повышения надежности и устойчивости технологических систем буровых установок за счет ускорения действия защиты и снижения времени простоя технологических агрегатов буровых установок требуется разработка устройств защиты от потери питания электропривода буровой лебедки.
Устройство защиты от потери питания электропривода буровой лебедки [2]. Максимальная токовая защита распределительных устройств буровых установок [3], содержит трансформаторы тока и реле максимального тока. Реле максимального тока настраиваются таким образом, чтобы при перегрузке двигателей отключался соответствующий контактор, а при коротких замыканиях – вводной выключатель в ВЛБ-6(10) кВ.
Данное устройство релейной защиты обладает следующими недостатками:
во-первых, низкая надежность, выраженная в полном отключении буровой установки в случаях превышения максимального тока и отключении вводного выключателя. Это обусловлено тем, что на буровой установке суммарная номинальная мощность установленного оборудования почти в два раза превышает верхний предел теоретически возможных максимальных нагрузок, поэтому часть электроприемников буровой установки включается всегда разновременно. Например, невозможна совместная работа электроприводов буровых лебедки и ротора, всегда разновременно включаются электроприводы буровых насосов и буровой лебедки, в то же время могут одновременно работать электроприводы буровых насоса и ротора или системы верхнего привода и часть вспомогательного технологического оборудования и т.д. Поэтому в зависимости от конструкции скважины электрические нагрузки буровой установки имеют неравномерный характер, что приводит к ложному срабатыванию вводного выключателя;
во-вторых, низкая эффективность работы, обусловленная отключением вводного выключателя при коротком замыкании (КЗ) на шинах одного из электродвигателей, что приводит к полному останову процесса бурения.
Повышение надежности бесперебойной работы электропривода буровой лебедки за счет возможности аварийного подъема бурового инструмента в случае возникновения аварии в электроустановке с целью исключения прихватов бурового инструмента, а также повышение эффективности работы устройства релейной защиты за счет увеличения степени защиты от потери питания электропривода буровой лебедки решается устройством, показанным на рисунке 8.

решается устройством защиты от потери питания электропривода буровой лебедки, включающим блок контроля, вход которого подключен к току ввода секции шин распределительного устройства, первый, второй и третий таймеры с исполнительными блоками.
Устройство работает следующим образом.
При достижении уставки по току (I) срабатывает блок контроля максимального тока 1, который выдает сигнал на первый таймер 2, и начинается отсчет времени t1. По истечению времени t1 на первом таймере 2 срабатывают исполнительные блоки 5, 6 и 7, которые отключают соответствующие электроприводы бурового ротора, бурового насоса и системы верхнего привода. Электропривод буровой лебедки остается включенным. Одновременно с этим блоком сигнализации 8 подается сигнал на пульт бурильщика «Аварийный подъем инструмента», сигнализирующий о необходимости подъема бурового инструмента (колонны бурильных или обсадных труб на фигуре не показаны) с целью избежания прихвата вследствие возникновения аварии в системе электроснабжения буровой установки, что позволяет либо полностью исключить прихват бурового инструмента, или минимизировать его последствия.
В случае дальнейшего роста тока (I) блок контроля максимального тока 1 выдает сигнал на второй таймер 3 и начинается отсчет времени t2 (t2>t1). По истечению времени t2 на втором таймере 3 срабатывает исполнительный блок 9 (вторая ступени защиты от потери питания), который отключает электропривод буровой лебедки, при этом остаются в работе вспомогательные механизмы буровой установки, в числе которых аварийный электропривод буровой лебедки, позволяющий осуществить подъем бурового инструмента. Если же рост тока (I) продолжается, блок контроля максимального тока 1 выдает сигнал на третий таймер 4 и начинается отсчет времени t3 (t3>t2>t1). При истечении времени t3 на третьем таймере 4 срабатывает исполнительный блок 10 третьей ступени защиты, отключающий вводной выключатель секции шин распределительного устройства.
Предлагаемое устройство имеет три ступени защиты от потери питания электропривода буровой лебедки:
• первая ступень (отключение электроприводов бурового ротора, бурового насоса и системы верхнего привода);
• вторая ступень (отключение электропривода буровой лебедки);
• третья ступень (отключение вводного выключателя секции шин распределительного устройства).
Это позволяет повысить эффективность работы технологических систем буровых установок за счет ускорения действия защиты, исключить ложные срабатывания и снизить время простоя технологических агрегатов (бурового насоса и ротора, системы верхнего привода, вспомогательных механизмов буровой установки).

Устройство защиты от потери питания вспомогательного (аварийного) электропривода буровой лебедки [4]. Недостатком описанного устройства, является полная потеря питания аварийного электропривода буровой лебедки в случае возникновения аварии в электроустановке. Поэтому в ООО «УК «Татбурнефть» разработано устройство (рисунок 9), технической задачей которого является повышение надежности бесперебойной работы аварийного электропривода буровой лебедки за счет возможности аварийного подъема бурового инструмента в случае возникновения аварии в электроустановке с целью исключение прихватов бурового инструмента, а также повышение эффективности работы устройства за счет увеличения степени защиты от потери питания аварийного электропривода буровой лебедки.
Устройство работает следующим образом.
При достижении уставки по току (I) срабатывает блок контроля максимального тока 1, который выдает сигнал на первый таймер 2, и начинается отсчет времени t1.
По истечению времени t1 на первом таймере 2 срабатывают исполнительные блоки 5, 6 и 7, которые отключают соответствующие электроприводы бурового ротора, бурового насоса и системы верхнего привода. Электропривод буровой лебедки остается включенным.
Одновременно с этим блоком сигнализации 8 подается сигнал на пульт бурильщика «Аварийный подъем инструмента», а блоком 8а сигнал на запуск аварийной дизель-электростанции (на рисунке 9 не показана).
Сигнал от блока 8 сигнализирует о необходимости подъема бурового инструмента (колонны бурильных или обсадных труб на фигуре не показаны) с целью избежания прихвата вследствие возникновения аварии в системе электроснабжения буровой установки, что позволяет либо полностью исключить прихват бурового инструмента, или минимизировать его последствия.
Сигнал от блока 8а необходим для подготовки дизель-электростанции на случай полного отключения электроэнергии.
В случае дальнейшего роста тока (I) блок контроля максимального тока 1 выдает сигнал на второй таймер 3 и начинается отсчет времени t2 (t2>t1).
По истечению времени t2 на втором таймере 3 срабатывает исполнительный блок 9 (вторая ступени защиты от потери питания), который отключает электропривод буровой лебедки, при этом остаются в работе вспомогательные механизмы буровой установки, в числе которых аварийный электропривод буровой лебедки, позволяющий осуществить подъем бурового инструмента.
Если же рост тока (I) продолжается, блок контроля максимального тока 1 выдает сигнал на третий таймер 4 и начинается отсчет времени t3 (t3>t2>t1).
При истечении времени t3 на третьем таймере 4 срабатывает исполнительный блок 10 третьей ступени защиты, отключающий вводной выключатель секции шин распределительного устройства.
При истечении времени t4 на четвертом таймере 4а срабатывает исполнительный блок 10а четвертой ступени защиты, подающий питание от дизель-электростанции на вспомогательные механизмы буровой установки, в числе которых аварийный электропривод буровой лебедки, позволяющий осуществить подъем бурового инструмента.
Таймер 4а предназначен для выдержки времени, достаточной для отключения вводного выключателя секции шин распределительного устройства, для исключения обратной трансформации и подачи питания на участок сети, на котором произошла авария.
Первая реализация устройства защиты от потери питания электропривода буровой лебедки была выполнена на скважине № 30150 НГДУ «Джалильнефть» ПАО «Татнефть», аппаратной частью которого явились микроконтроллерное многоканальное реле времени и удаленные друг от друга радиомодули. Экономический эффект при этом, на основе сокращения времени простоя буровой бригады, составил болеее 600 тыс. руб. на одну буровую установку.
В заключение необходимо отметить, что реально экономический эффект будет значительно выше, так как при технико-экономической оценке не учитывались потери средств при ликвидации аварий из-за потери питания электропривода буровой лебедки; не учитывались повторно-кратковременные и кратковременные режимы работы и вспомогательные технологические операции, величина ущерба, обусловленного перезапуском оборудования после восстановления питания, а также ожидание устранения причин неисправности.
Выводы
В зависимости от условий бурения и глубины скважины; наличия системы верхнего привода; типа циркуляционной системы и т.д. система электроснабжения может изменяться для каждой площади бурения. Предложенные устройства защиты от потери питания электропривода буровой лебедки снижают вероятность прихватов бурового инструмента из-за аварийного прекращения электроснабжения.
Литература
1. Абрамов Б.И., Авдийский Е.И., Коган А.И., Кожаков О.И. Моцохейн Б.И., Парфенов Б.М. Современное и перспективное электрооборудование установок для бурения скважин глубиной до 3900 м. / Электротехника, 2001, №1, с. 11-16.
2. Патент РФ 2540947. Устройство защиты от потери питания электропривода буровой лебедки / Шафигуллин Р.И., Еромасов В.Г., Андиряков В.Ф., Никулин О.В., Заявл. 10.03.2015. Опубл. 10.07.2016 Бюл. № 19.
3. С.Г. Блантер, И.И. Суд «Электрооборудование для нефтяной промышленности», Изд. «Недра», 1973 г.
4. Патент РФ № 166093. Устройство защиты от потери питания аварийного электропривода буровой лебедки / Назипов Л.Л., Андиряков В.Ф., Никулин О.В., Курбангалин Р.Р., Солдаткин Д.В., Заявл. 10.06.2016. Опубл. 20.11.2016 Бюл. № 32.
Никулин О.В.
Ведущий инженер-энергетик, ООО «УК «Татбурнефть», к.т.н
