Bentec: Iron Roughneck
The Bentec Iron Roughneck is built to maximize the efficiency of pipe handling operations. It provides a safe and versatile alternative to conventional pipe connection techniques for make-up/break-out operations.
Available models
• IR-100-5-B 5 ft reach version – Basic Design
• IR-100-8-B 8 ft reach version – Basic Design
• IR-100-5-P 5 ft reach version – Premium Design
• IR-100-8-P 8 ft reach version – Premium Design
Unique Features
• Precise high torque measurement
• A unique tool joint finder enables automatic pre-positioning
• Torque readout system for automatic make-up/break-out operations
• Hydraulically powered and electrically controlled unit
• Tool joint anti-collision system
• E-Torque List – an electronic recording and storage tool
• Central lubrication system
• Spin out sensor
• Dynamic clamping system
• Interchangeable with competitors’ iron roughnecks
• Available for onshore and offshore rigs
• Compact design
• HSE improvements due to automatic positioning
• CE & ATEX conformity
Technical Data:
Iron roughneck models and features
| Basic design IR 100-5-B IR 100-8-B |
Premium design IR 100-5-P IR 100-8-P |
|
| Tool joint finder | Excluded | Included |
| Torque readout system | Manual | Included |
| Tool joint anti-collision system | Excluded | Included |
| Remote control console | Excluded | Included |
| E-Torque List | Excluded | Optional |
| Central lubrication system | Excluded | Optional |
| Spin out sensor | Excluded | Optional |
| Dynamic clamping system | Excluded | Optional |
| Wireless control console | Excluded | Optional |
| Hydraulic power unit | Optional | Optional |
| Transport skid | Optional | Optional |
Model size
| Model | Reach |
| 5 ft reach version | 5 ft / 1 524 mm |
| 8 ft reach version | 8 ft / 2 438 mm |
Technical data Bentec Iron Roughneck
| Max. make-up torque: | 100 000 ft – lbs / 135 600 Nm |
| Max. break-out torque: | 120 000 ft – lbs / 162 700 Nm |
| Spinner – max. speed with 5″ DP: | 100 rpm |
| Spinner – max. torque with 5″ DP: | 3 000 ft – lbs / 4 070 Nm |
| Tool joint connection O.D. range: | 3 1/8″ to 9 3/4″ |
| Ambient temperature: | -45 °C to +55 °C |
| Min. working pressure: | 2 500 psi / 172 bar |
| Max. working pressure: | 3 046 psi / 210 bar |
| Hydraulic flow rate: | 55 gpm / 207 l/min |
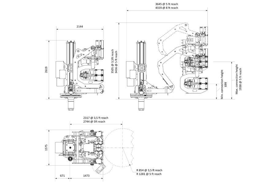
The drawing shows the typical Bentec Iron Roughneck 5 ft reach
Details
Over the last 40 years, Bentec has developed an impressive portfolio for automated tubular running operations in order to build a more robust and reliable Iron Roughneck that reduces both downtime and maintenance.
The iron roughneck is available in two versions. The basic design is simple and robust for safe drilling operations. This design includes all essential functions for making up and breaking out tool joint connections.
The premium design is electric hydraulic operated. This design includes automation features like the tool joint finder, positioning system and torque readout system for partly or fully automatic make/break operations.
The compact dimensions of the Bentec Iron Roughneck make it easy to install in existing or new rigs. The design allows for easy interchangeability with competitors’ iron roughnecks.
Both iron roughneck versions are developed for use as a portable unit on land rigs or permanent installation on offshore rigs. The system is powered by the existing rig hydraulic power unit. A separate hydraulic power unit is also available.
Bentec’s iron roughnecks are designed to comply with the latest European CE design standards, ATEX conformity and international API standards to maintain the highest level of industry safety.







